Распоряжение Комитета по государственному контролю, использованию и охране памятников истории и культуры Санкт-Петербурга от 16.07.2021 № 108-рп
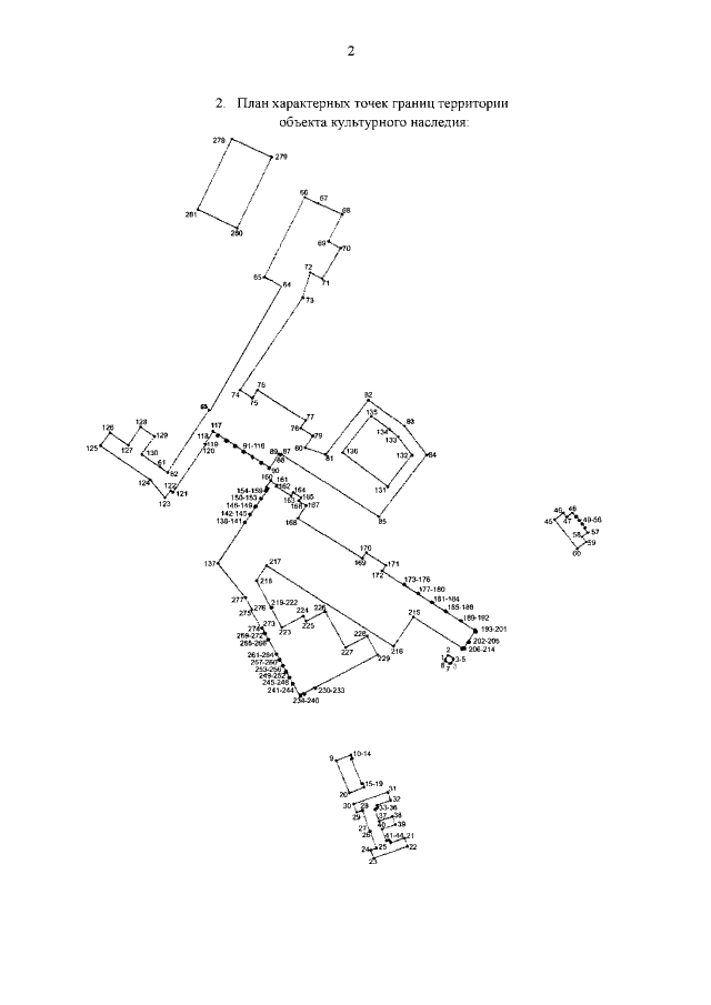
"Об утверждении границ и режима использования территории объекта культурного наследия регионального значения "Императорская мануфактура (Обуховский сталелитейный завод)"
"Об утверждении границ и режима использования территории объекта культурного наследия регионального значения "Императорская мануфактура (Обуховский сталелитейный завод)"
Номер опубликования: 7801202107220015
Дата опубликования:
22.07.2021
