Официальное опубликование правовых актов
ОФИЦИАЛЬНОЕ ОПУБЛИКОВАНИЕ
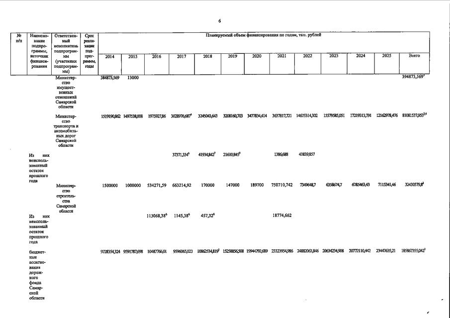
Постановление Правительства Самарской области от 09.08.2022 № 638
"О внесении изменений в постановление Правительства Самарской области от 27.11.2013 № 677 "Об утверждении государственной программы Самарской области "Развитие транспортной системы Самарской области (2014 – 2025 годы)"
Номер опубликования: 6300202208110009
Дата опубликования: 11.08.2022
Страница №22 из 24:
Увеличить