Официальное опубликование правовых актов
ОФИЦИАЛЬНОЕ ОПУБЛИКОВАНИЕ
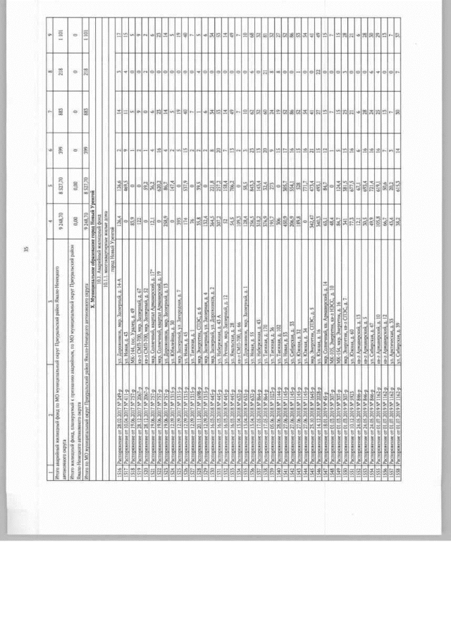
Постановление Правительства Ямало-Ненецкого автономного округа от 09.08.2021 № 698-П
"О внесении изменений в Комплексную программу по переселению граждан из аварийного жилищного фонда и жилищного фонда, планируемого к признанию аварийным, на территории Ямало-Ненецкого автономного округа на 2019 – 2025 годы"
Номер опубликования: 8900202108120001
Дата опубликования: 12.08.2021
Страница №42 из 76:
Увеличить