Официальное опубликование правовых актов
ОФИЦИАЛЬНОЕ ОПУБЛИКОВАНИЕ
Постановление Правительства Ямало-Ненецкого автономного округа от 19.02.2021 № 99-П
"О внесении изменений в Комплексную программу по переселению граждан из аварийного жилищного фонда и жилищного фонда, планируемого к признанию аварийным, на территории Ямало-Ненецкого автономного округа на 2019 – 2025 годы"
Номер опубликования: 8900202102250006
Дата опубликования: 25.02.2021
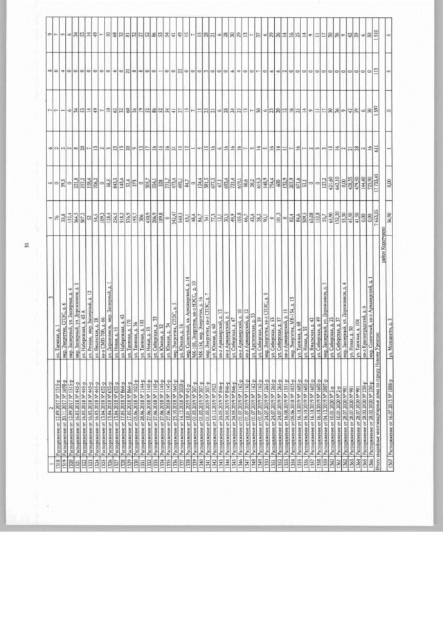
Страница №40 из 70:
Увеличить