Официальное опубликование правовых актов
ОФИЦИАЛЬНОЕ ОПУБЛИКОВАНИЕ
Постановление Правительства Ямало-Ненецкого автономного округа от 28.07.2020 № 906-П
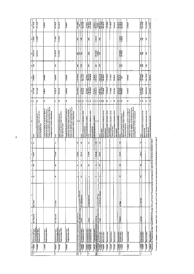
"О внесении изменения в региональный краткосрочный план реализации региональной программы капитального ремонта общего имущества в многоквартирных домах, расположенных на территории Ямало-Ненецкого автономного округа, на 2020 – 2022 годы"
Номер опубликования: 8900202007300008
Дата опубликования: 30.07.2020
Страница №79 из 79:
Увеличить