Официальное опубликование правовых актов
ОФИЦИАЛЬНОЕ ОПУБЛИКОВАНИЕ
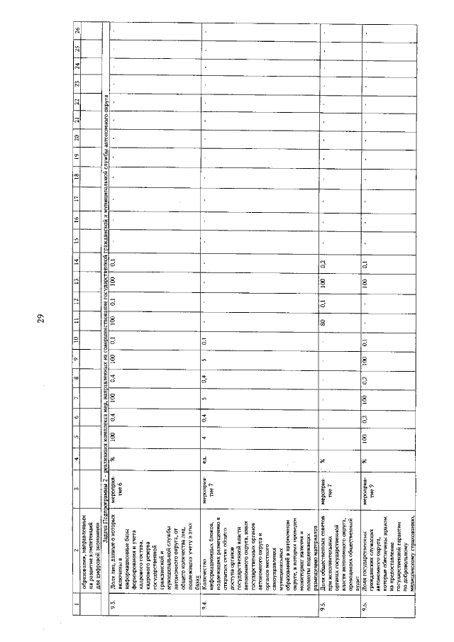
Постановление Правительства Ямало-Ненецкого автономного округа от 12.02.2020 № 126-П
"О внесении изменений в постановление Правительства Ямало-Ненецкого автономного округа от 20 декабря 2013 года № 1075-П"
Номер опубликования: 8900202002200005
Дата опубликования: 20.02.2020
Страница №30 из 157:
Увеличить