Официальное опубликование правовых актов
ОФИЦИАЛЬНОЕ ОПУБЛИКОВАНИЕ
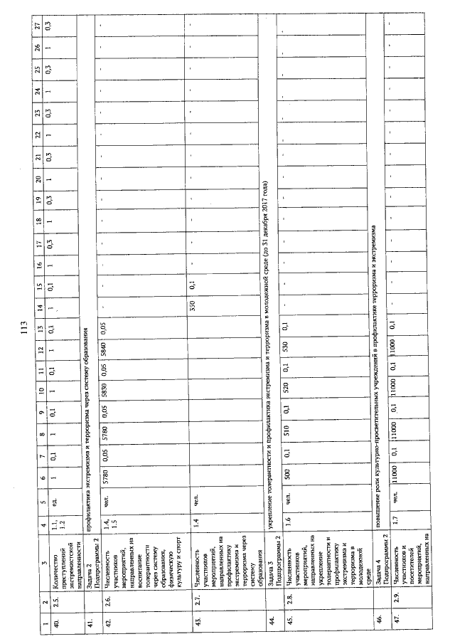
Постановление Правительства Ямало-Ненецкого автономного округа от 12.07.2019 № 744-П
"О внесении изменений в постановление Правительства Ямало-Ненецкого автономного округа от 25 декабря 2013 года № 1136-П"
Номер опубликования: 8900201907190007
Дата опубликования: 19.07.2019
Страница №114 из 147:
Увеличить