Официальное опубликование правовых актов
ОФИЦИАЛЬНОЕ ОПУБЛИКОВАНИЕ
Постановление Правительства Ямало-Ненецкого автономного округа от 18.02.2019 № 118-П
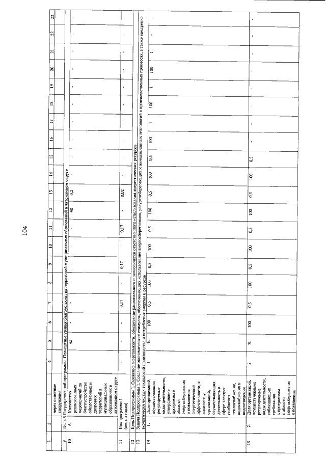
"О внесении изменений в государственную программу Ямало-Ненецкого автономного округа "Энергоэффективность и развитие энергетики, обеспечение качественными жилищно-коммунальными услугами населения на 2014 – 2022 годы"
Номер опубликования: 8900201902210014
Дата опубликования: 21.02.2019
Страница №105 из 124:
Увеличить