Официальное опубликование правовых актов
ОФИЦИАЛЬНОЕ ОПУБЛИКОВАНИЕ
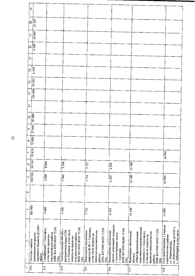
Постановление Правительства Ямало-Ненецкого автономного округа от 31.10.2018 № 1106-П
"О внесении изменения в детализированный перечень мероприятий подпрограмм государственной программы Ямало-Ненецкого автономного округа "Энергоэффективность и развитие энергетики, обеспечение качественными жилищно-коммунальными услугами населения на 2014 – 2022 годы" на 2018 год"
Номер опубликования: 8900201811070019
Дата опубликования: 07.11.2018
Страница №22 из 31:
Увеличить