Официальное опубликование правовых актов
ОФИЦИАЛЬНОЕ ОПУБЛИКОВАНИЕ
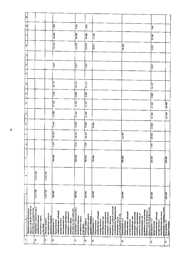
Постановление Правительства Ямало-Ненецкого автономного округа от 05.07.2018 № 717-П
"О внесении изменения в детализированный перечень мероприятий подпрограмм государственной программы Ямало-Ненецкого автономного округа "Обеспечение доступным и комфортным жильём населения на 2014 – 2020 годы" на 2018 год"
Номер опубликования: 8900201807130009
Дата опубликования: 13.07.2018
Страница №7 из 21:
Увеличить