Официальное опубликование правовых актов
ОФИЦИАЛЬНОЕ ОПУБЛИКОВАНИЕ
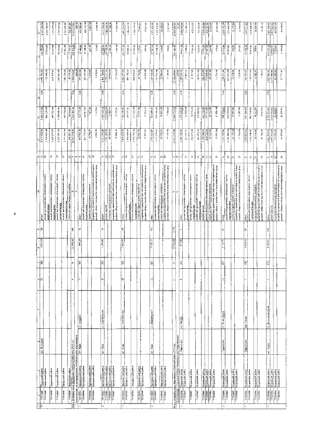
Постановление Правительства Ямало-Ненецкого автономного округа от 05.03.2018 № 224-П
"О внесении изменений в приложения №№ 1, 2, утвержденные постановлением Правительства Ямало-Ненецкого автономного округа от 27 октября 2016 года № 1008-П"
Номер опубликования: 8900201803130003
Дата опубликования: 13.03.2018
Страница №49 из 53:
Увеличить