Официальное опубликование правовых актов
ОФИЦИАЛЬНОЕ ОПУБЛИКОВАНИЕ
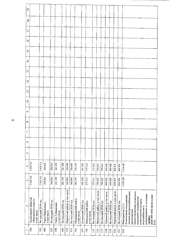
Постановление Правительства Ямало-Ненецкого автономного округа от 22.12.2017 № 1400-П
"Об утверждении детализированного перечня мероприятий подпрограмм государственной программы Ямало-Ненецкого автономного округа "Энергоэффективность и развитие энергетики, обеспечение качественными жилищно-коммунальными услугами населения на 2014 – 2022 годы" на 2018 год"
Номер опубликования: 8900201712270050
Дата опубликования: 27.12.2017
Страница №10 из 27:
Увеличить