Официальное опубликование правовых актов
ОФИЦИАЛЬНОЕ ОПУБЛИКОВАНИЕ
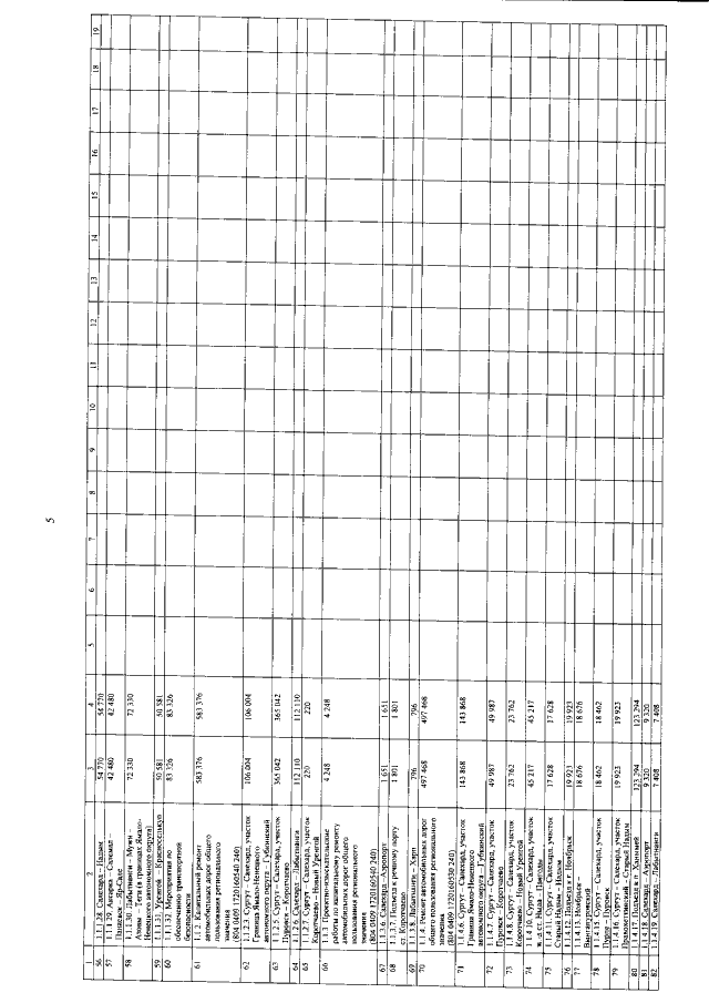
Постановление Правительства Ямало-Ненецкого автономного округа от 21.12.2017 № 1348-П
"О внесении изменения в детализированный перечень мероприятий подпрограмм государственной программы Ямало-Ненецкого автономного округа "Развитие транспортной инфраструктуры на 2014 – 2020 годы" на 2017 год"
Номер опубликования: 8900201712270039
Дата опубликования: 27.12.2017
Страница №6 из 20:
Увеличить