Официальное опубликование правовых актов
ОФИЦИАЛЬНОЕ ОПУБЛИКОВАНИЕ
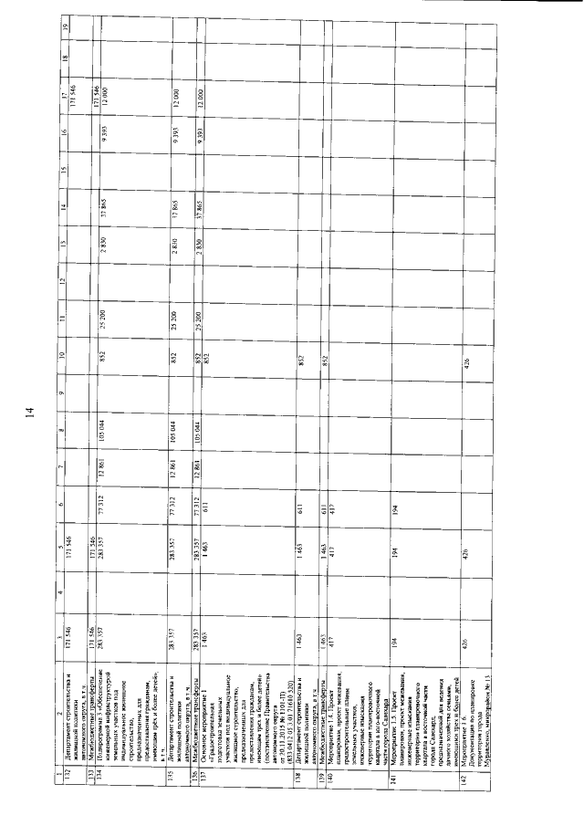
Постановление Правительства Ямало-Ненецкого автономного округа от 15.12.2017 № 1292-П
"О внесении изменения в детализированный перечень мероприятий подпрограмм государственной программы Ямало-Ненецкого автономного округа "Обеспечение доступным и комфортным жильём населения на 2014 – 2020 годы" на 2017 год"
Номер опубликования: 8900201712210001
Дата опубликования: 21.12.2017
Страница №15 из 17:
Увеличить