Официальное опубликование правовых актов
ОФИЦИАЛЬНОЕ ОПУБЛИКОВАНИЕ
Постановление Правительства Ханты-Мансийского автономного округа - Югры от 14.11.2014 № 431-п
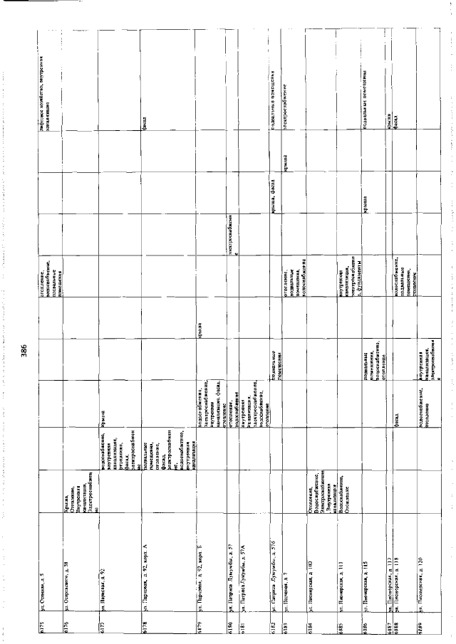
"О внесении изменения в приложение 1 к постановлению Правительства Ханты-Мансийского автономного округа - Югры от 25 декабря 2013 года № 568-п "О Программе капитального ремонта общего имущества в многоквартирных домах, расположенных на территории Ханты-Мансийского автономного округа - Югры"
Номер опубликования: 8600201411180005
Дата опубликования: 18.11.2014
Страница №386 из 417:
Увеличить