Официальное опубликование правовых актов
ОФИЦИАЛЬНОЕ ОПУБЛИКОВАНИЕ
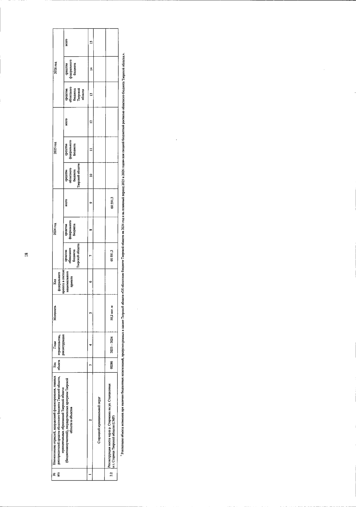
Постановление Правительства Тверской области от 17.12.2024 № 581-пп
"О внесении изменений в постановление Правительства Тверской области от 21.12.2023 № 595-пп"
Номер опубликования: 6900202412200004
Дата опубликования: 20.12.2024
Страница №18 из 18:
Увеличить