Официальное опубликование правовых актов
ОФИЦИАЛЬНОЕ ОПУБЛИКОВАНИЕ
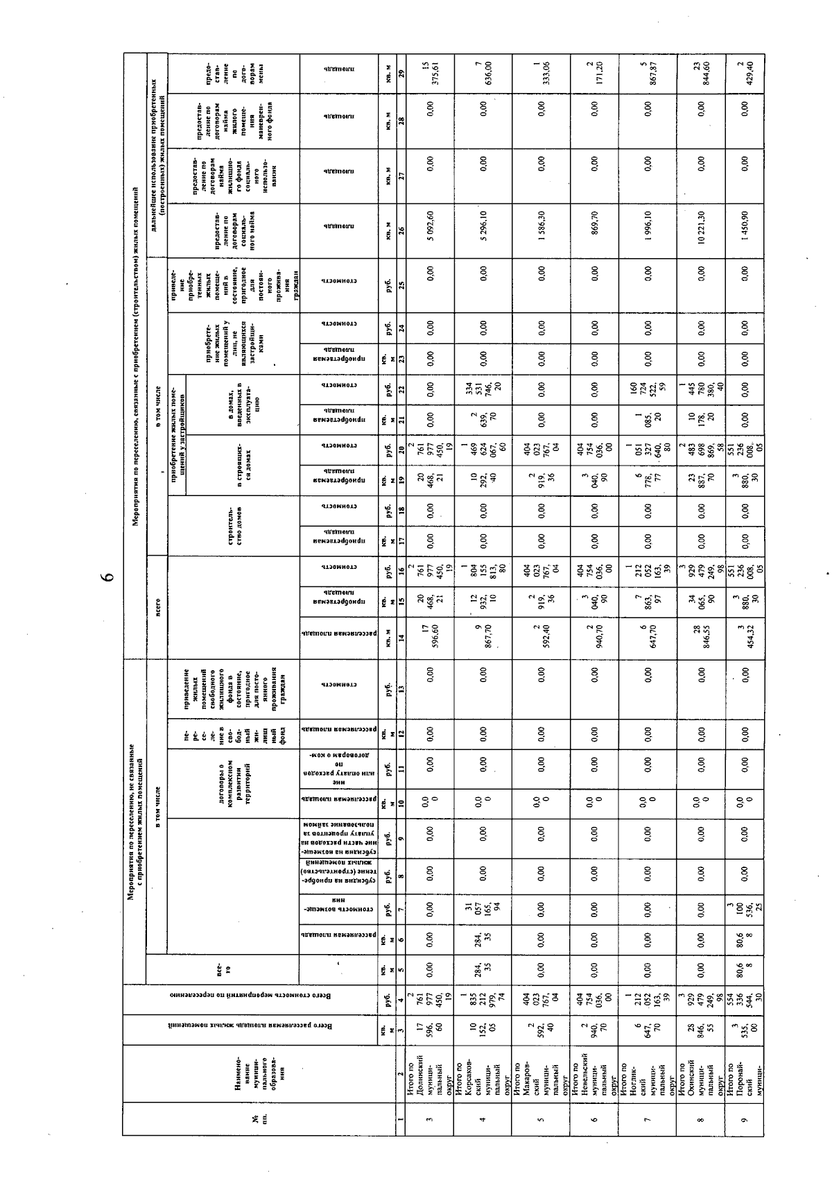
Постановление Правительства Сахалинской области от 24.11.2025 № 481
"О внесении изменений в постановление Правительства Сахалинской области от 31.03.2021 № 113 "Об утверждении региональной адресной программы "Переселение граждан из аварийного жилищного фонда на территории Сахалинской области в 2021 - 2026 годах"
Номер опубликования: 6500202511280002
Дата опубликования: 28.11.2025
Страница №228 из 239:
Увеличить