Официальное опубликование правовых актов
ОФИЦИАЛЬНОЕ ОПУБЛИКОВАНИЕ
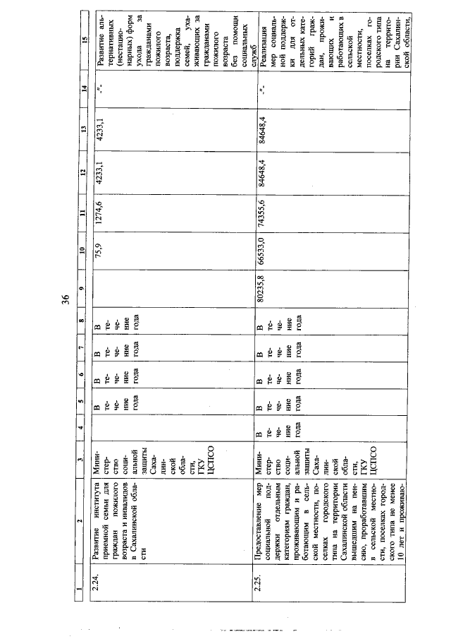
Распоряжение Правительства Сахалинской области от 05.06.2017 № 318-р
"О внесении изменений в региональную программу "Старшее поколение Сахалинской области на 2014 - 2018 годы", утвержденную распоряжением Правительства Сахалинской области от 30.10.2013 № 785-р"
Номер опубликования: 6500201706070001
Дата опубликования: 07.06.2017
Страница №41 из 73:
Увеличить