Официальное опубликование правовых актов
ОФИЦИАЛЬНОЕ ОПУБЛИКОВАНИЕ
Приказ Министерства имущественных отношений Самарской области от 08.06.2022 № 985
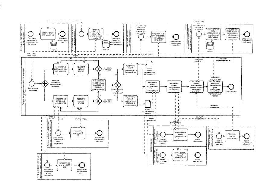
"Об утверждении Административного регламента министерства имущественных отношений Самарской области по предоставлению государственной услуги "Согласование проекта рекультивации земель в случае проведения рекультивации в отношении земель и земельных участков, находящихся в собственности Самарской области, за исключением случаев подготовки проекта рекультивации в составе проектной документации на строительство, реконструкцию объекта капитального строительства, а также случаев, при которых в соответствии с федеральными законами проект рекультивации земель до его утверждения подлежит государственной экологической экспертизе"
Номер опубликования: 6301202206100001
Дата опубликования: 10.06.2022
Страница №38 из 38:
Увеличить