Официальное опубликование правовых актов
ОФИЦИАЛЬНОЕ ОПУБЛИКОВАНИЕ
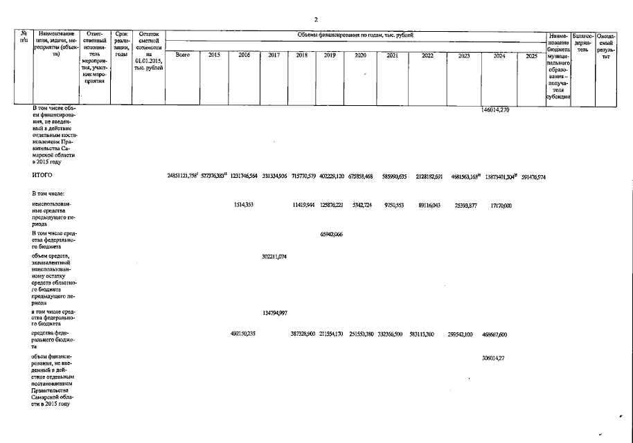
Постановление Правительства Самарской области от 07.08.2023 № 622
"О внесении изменений в постановление Правительства Самарской области от 11.02.2015 № 56 "Об утверждении государственной программы Самарской области "Строительство, реконструкция и капитальный ремонт образовательных организаций и их инфраструктуры на территории Самарской области" до 2026 года"
Номер опубликования: 6300202308090009
Дата опубликования: 09.08.2023
Страница №16 из 20:
Увеличить