Официальное опубликование правовых актов
ОФИЦИАЛЬНОЕ ОПУБЛИКОВАНИЕ
Постановление Правительства Самарской области от 12.10.2022 № 850
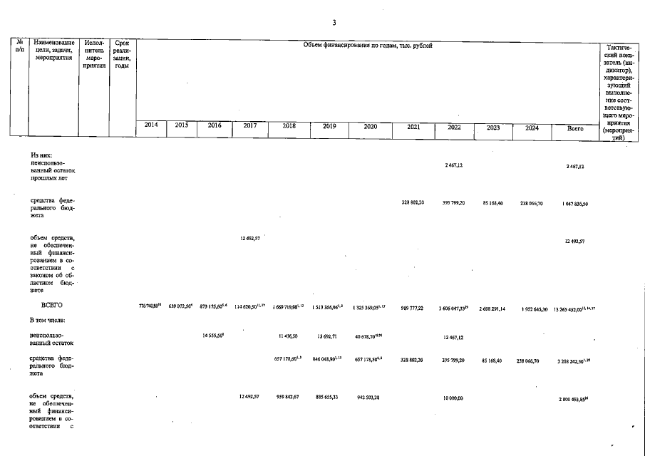
"О внесении изменений в постановление Правительства Самарской области от 27.11.2013 № 670 "Об утверждении государственной программы Самарской области "Содействие развитию благоустройства территорий муниципальных образований в Самарской области на 2014 – 2024 годы"
Номер опубликования: 6300202210140005
Дата опубликования: 14.10.2022
Страница №8 из 14:
Увеличить