Официальное опубликование правовых актов
ОФИЦИАЛЬНОЕ ОПУБЛИКОВАНИЕ
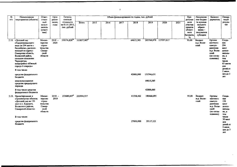
Постановление Правительства Самарской области от 30.08.2019 № 606
"О внесении изменений в постановление Правительства Самарской области от 11.02.2015 № 56 "Об утверждении государственной программы Самарской области "Строительство, реконструкция и капитальный ремонт образовательных учреждений Самарской области" до 2025 года"
Номер опубликования: 6300201909030007
Дата опубликования: 03.09.2019
Страница №36 из 69:
Увеличить