Официальное опубликование правовых актов
ОФИЦИАЛЬНОЕ ОПУБЛИКОВАНИЕ
Постановление Правительства Самарской области от 25.03.2019 № 163
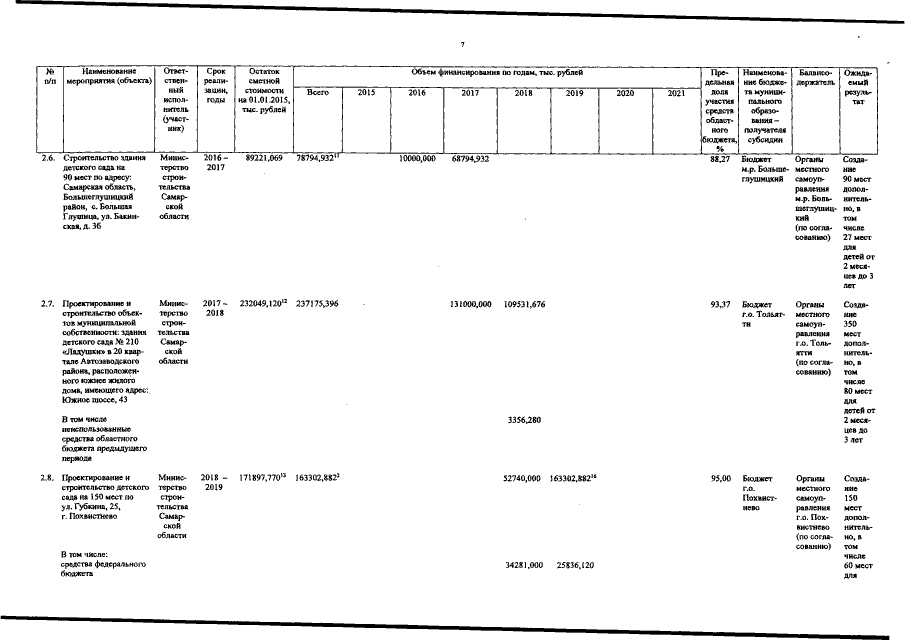
"О внесении изменений в постановление Правительства Самарской области от 11.02.2015 № 56 "Об утверждении государственной программы Самарской области "Строительство, реконструкция и капитальный ремонт образовательных учреждений Самарской области" до 2025 года"
Номер опубликования: 6300201903260011
Дата опубликования: 26.03.2019
Страница №57 из 123:
Увеличить