Официальное опубликование правовых актов
ОФИЦИАЛЬНОЕ ОПУБЛИКОВАНИЕ
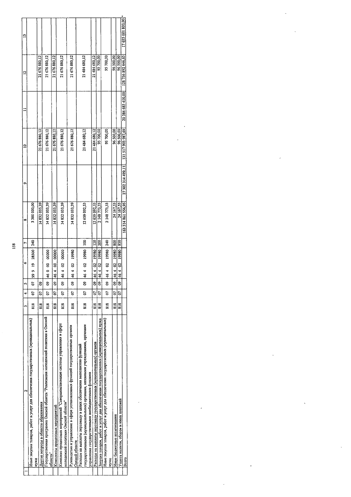
Закон Омской области от 06.03.2025 № 2809-ОЗ
"О внесении изменений в Закон Омской области "Об областном бюджете на 2024 год и на плановый период 2025 и 2026 годов"
Номер опубликования: 5500202503060004
Дата опубликования: 06.03.2025
Страница №192 из 367:
Увеличить