Официальное опубликование правовых актов
ОФИЦИАЛЬНОЕ ОПУБЛИКОВАНИЕ
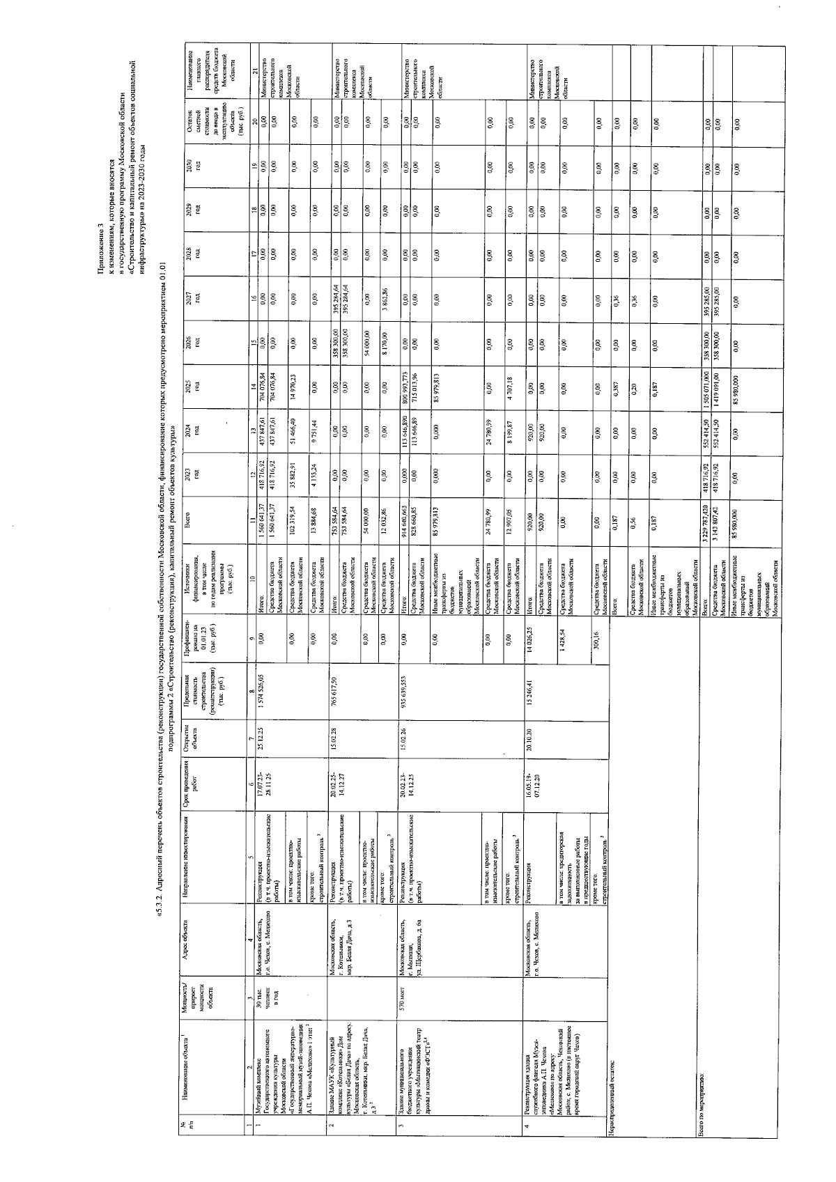
Постановление Правительства Московской области от 06.08.2025 № 971-ПП
"О распределении бюджетных ассигнований бюджета Московской области и внесении изменений в государственную программу Московской области "Строительство и капитальный ремонт объектов социальной инфраструктуры" на 2023-2030 годы"
Номер опубликования: 5000202508070006
Дата опубликования: 07.08.2025
Страница №33 из 57:
Увеличить