Официальное опубликование правовых актов
ОФИЦИАЛЬНОЕ ОПУБЛИКОВАНИЕ
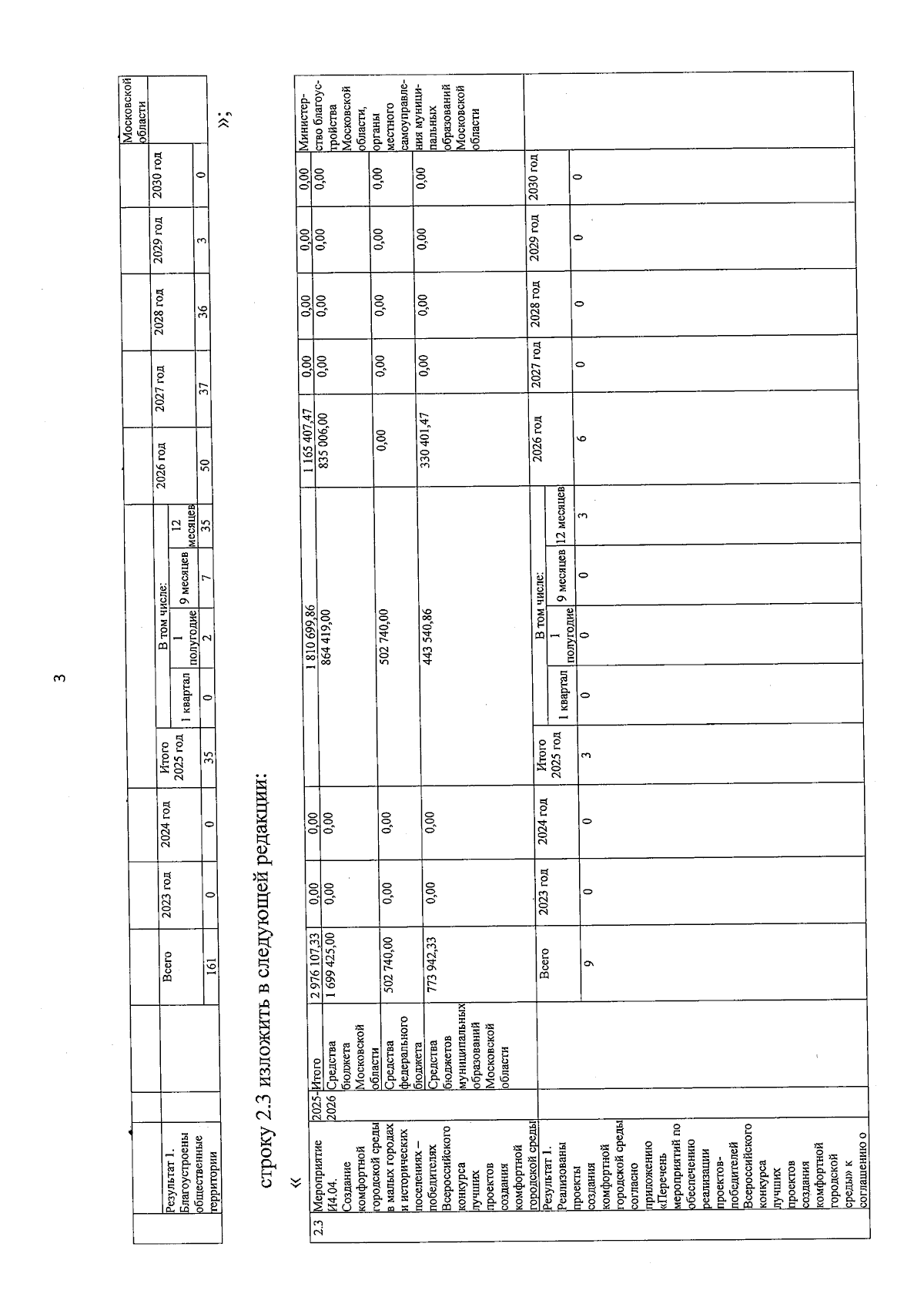
Постановление Правительства Московской области от 09.07.2025 № 817-ПП
"О распределении бюджетных ассигнований бюджета Московской области и внесении изменений в государственную программу Московской области "Формирование современной комфортной городской среды" на 2023-2030 годы"
Номер опубликования: 5000202507180007
Дата опубликования: 18.07.2025
Страница №6 из 19:
Увеличить