Официальное опубликование правовых актов
ОФИЦИАЛЬНОЕ ОПУБЛИКОВАНИЕ
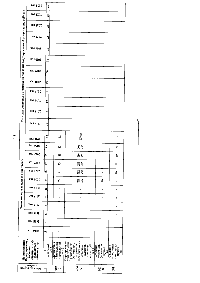
Постановление Правительства Магаданской области от 04.08.2022 № 656-пп
"О внесении изменений в постановление администрации Магаданской области от 20 ноября 2013 г. № 1165-па "Об утверждении государственной программы Магаданской области "Развитие культуры и туризма Магаданской области"
Номер опубликования: 4900202208090001
Дата опубликования: 09.08.2022
Страница №92 из 92:
Увеличить