Официальное опубликование правовых актов
ОФИЦИАЛЬНОЕ ОПУБЛИКОВАНИЕ
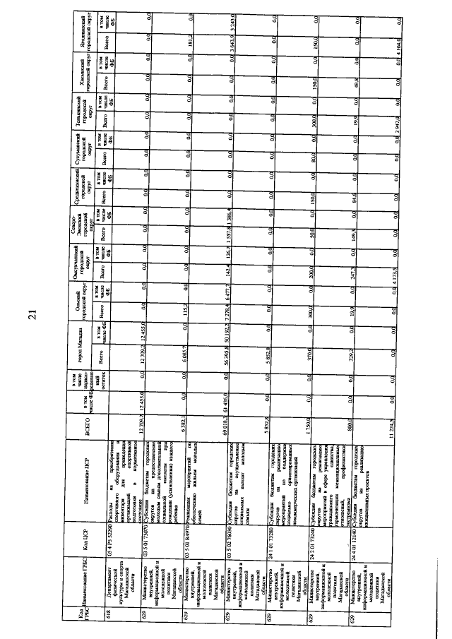
Закон Магаданской области от 03.08.2022 № 2732-ОЗ
"О внесении изменений в Закон Магаданской области "Об областном бюджете на 2022 годи плановый период 2023 и 2024 годов"
Номер опубликования: 4900202208030007
Дата опубликования: 03.08.2022
Страница №701 из 1171:
Увеличить