Официальное опубликование правовых актов
ОФИЦИАЛЬНОЕ ОПУБЛИКОВАНИЕ
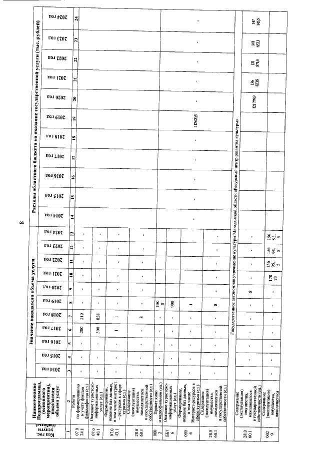
Постановление Правительства Магаданской области от 01.04.2022 № 287-пп
"О внесении изменений в постановление администрации Магаданской области от 20 ноября 2013 г. № 1165-па "Об утверждении государственной программы Магаданской области "Развитие культуры и туризма Магаданской области"
Номер опубликования: 4900202204040001
Дата опубликования: 04.04.2022
Страница №96 из 108:
Увеличить