Официальное опубликование правовых актов
ОФИЦИАЛЬНОЕ ОПУБЛИКОВАНИЕ
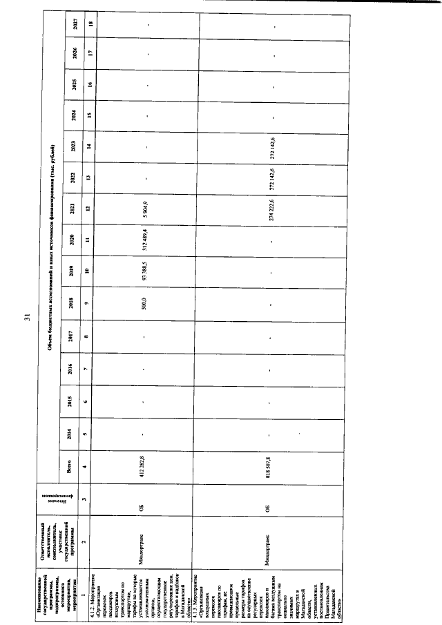
Постановление Правительства Магаданской области от 01.12.2021 № 916-пп
"О внесении изменения в постановление администрации Магаданской области от 20 ноября 2013 г. № 1145-па "Об утверждении государственной программы Магаданской области "Развитие транспортной системы в Магаданской области"
Номер опубликования: 4900202112020004
Дата опубликования: 02.12.2021
Страница №32 из 45:
Увеличить