Официальное опубликование правовых актов
ОФИЦИАЛЬНОЕ ОПУБЛИКОВАНИЕ
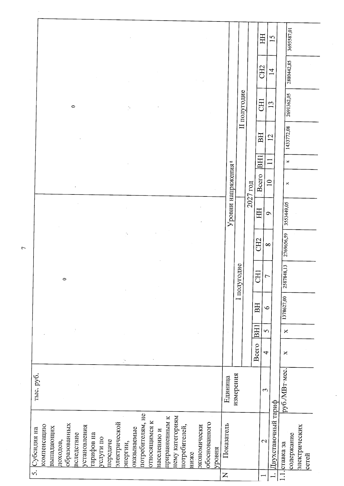
Постановление Министерства по тарифам и ценам Курской области от 29.11.2024 № 44
"О внесении изменений в постановление комитета по тарифам и ценам Курской области от 28 ноября 2022 г. № 94 "Об установлении единых (котловых) тарифов на услуги по передаче электрической энергии на территории Курской области на 2023 - 2027 годы"
(Зарегистрирован 04.12.2024 № 896.24.24)
Номер опубликования: 4601202412090014
Дата опубликования: 09.12.2024
Страница №8 из 39:
Увеличить