Официальное опубликование правовых актов
ОФИЦИАЛЬНОЕ ОПУБЛИКОВАНИЕ
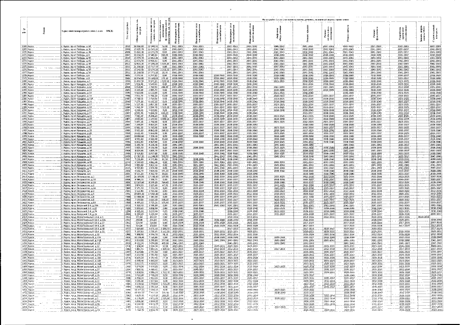
Постановление Правительства Курской области от 01.08.2023 № 841-пп
"О внесении изменений в Региональную программу капитального ремонта общего имущества в многоквартирных домах, расположенных на территории Курской области"
Номер опубликования: 4600202308040001
Дата опубликования: 04.08.2023
Страница №26 из 62:
Увеличить