Официальное опубликование правовых актов
ОФИЦИАЛЬНОЕ ОПУБЛИКОВАНИЕ
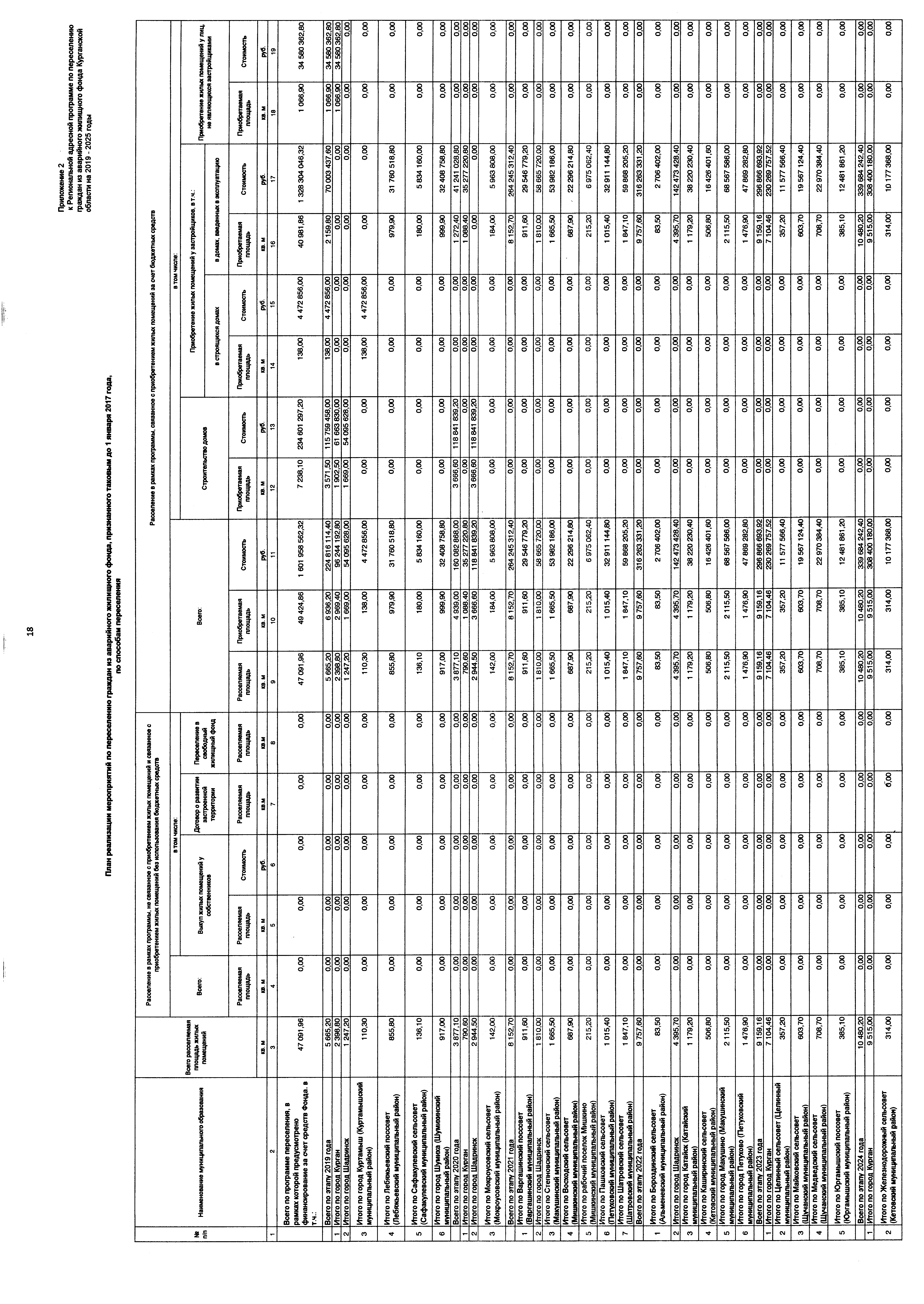
Постановление Правительства Курганской области от 24.10.2019 № 380
"О внесении изменений в постановление Правительства Курганской области от 1 апреля 2019 года № 82"
Номер опубликования: 4500201910280005
Дата опубликования: 28.10.2019
Страница №18 из 23: