Официальное опубликование правовых актов
ОФИЦИАЛЬНОЕ ОПУБЛИКОВАНИЕ
Приказ Департамента агропромышленного комплекса Костромской области от 16.04.2024 № 92
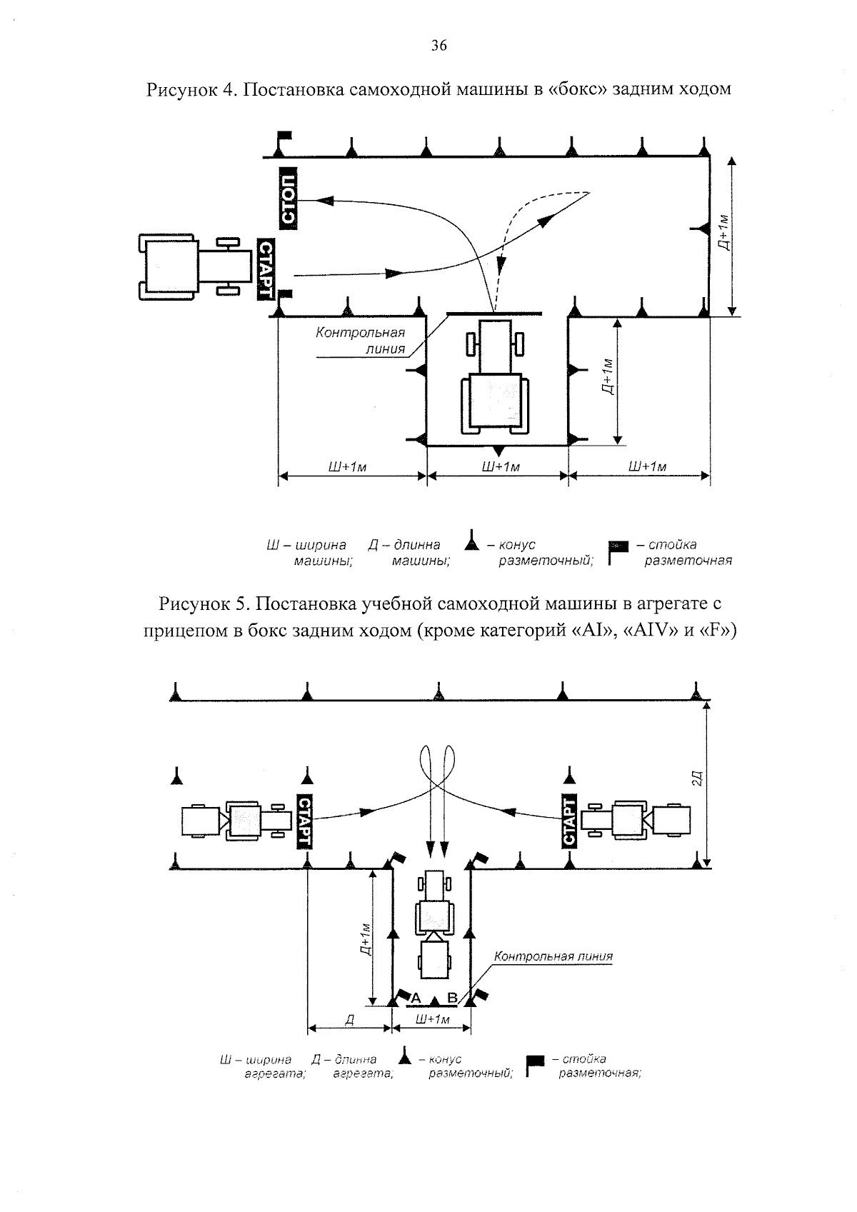
"Об утверждении административного регламента предоставления департаментом агропромышленного комплекса Костромской области государственной услуги "Выдача организациям, осуществляющим образовательную деятельность, свидетельства о соответствии требованиям оборудования и оснащенности образовательного процесса для подготовки трактористов, машинистов и водителей самоходных машин"
(Зарегистрирован 19.04.2024 № 202)
Номер опубликования: 4401202404220002
Дата опубликования: 22.04.2024
Страница №38 из 40:
Увеличить