Официальное опубликование правовых актов
ОФИЦИАЛЬНОЕ ОПУБЛИКОВАНИЕ
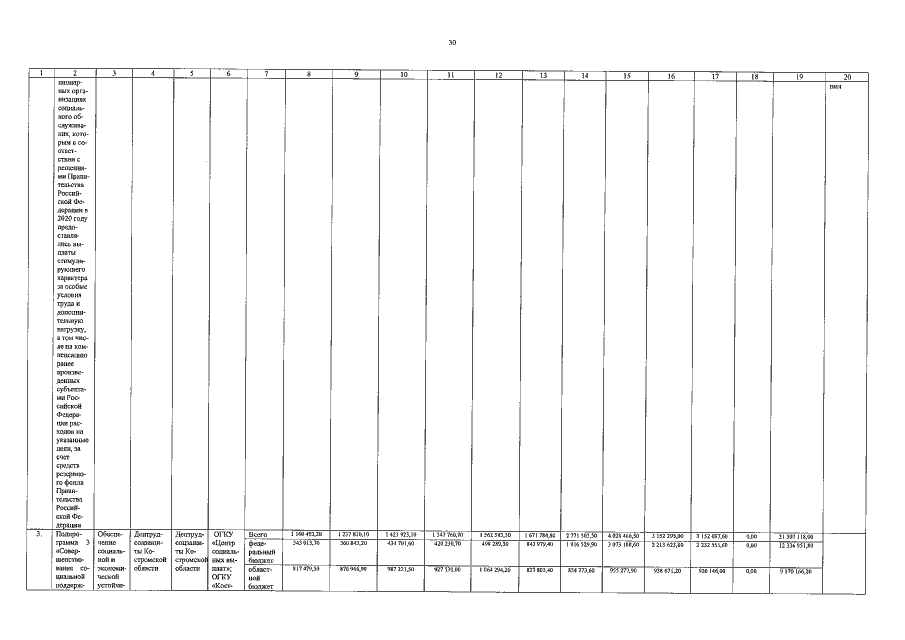
Постановление администрации Костромской области от 06.12.2021 № 559-а
"О внесении изменений в постановление администрации Костромской области от 26.12.2013 № 569-а"
Номер опубликования: 4400202112070003
Дата опубликования: 07.12.2021
Страница №34 из 103:
Увеличить