Официальное опубликование правовых актов
ОФИЦИАЛЬНОЕ ОПУБЛИКОВАНИЕ
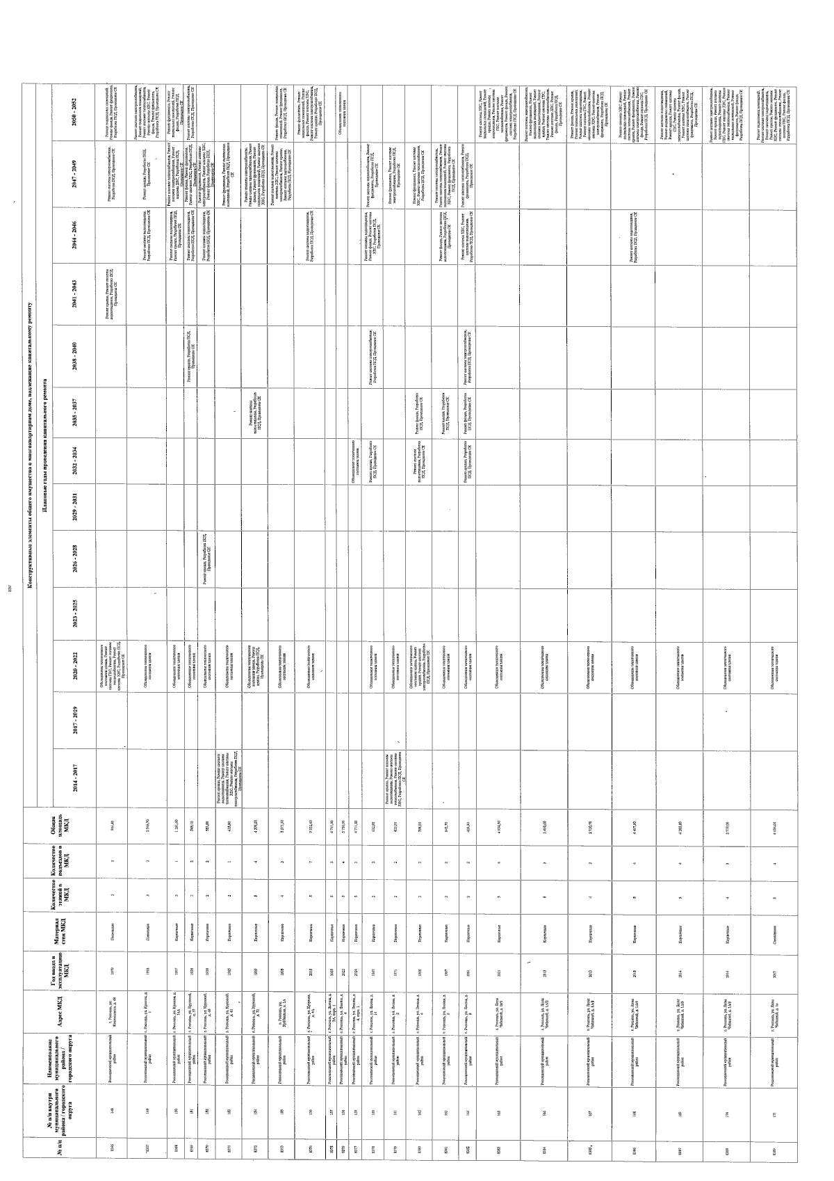
Постановление Правительства Воронежской области от 22.04.2026 № 283
"О внесении изменений в постановление Правительства Воронежской области от 06.03.2014 № 183"
Номер опубликования: 3600202604230001
Дата опубликования: 23.04.2026
Страница №338 из 366: