Официальное опубликование правовых актов
ОФИЦИАЛЬНОЕ ОПУБЛИКОВАНИЕ
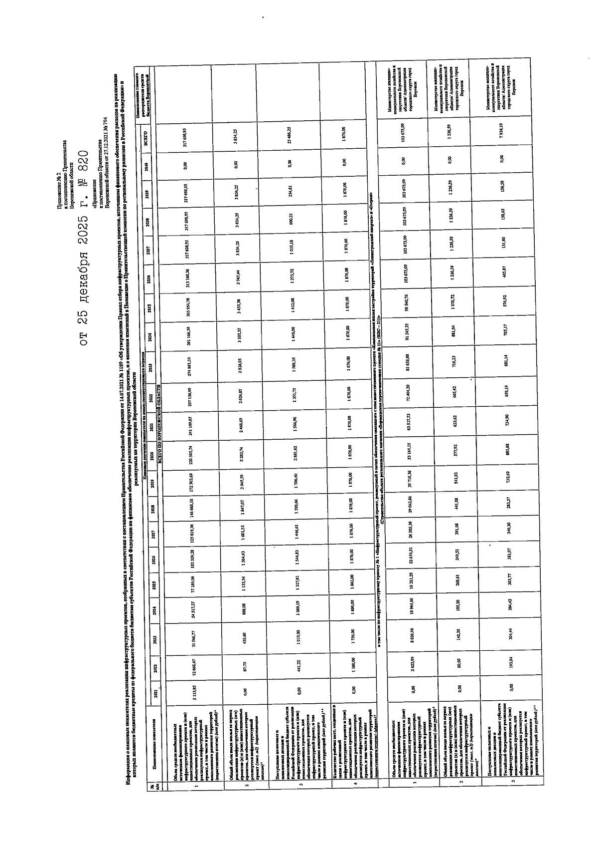
Постановление Правительства Воронежской области от 25.12.2025 № 820
"О внесении изменений в постановление Правительства Воронежской области от 27.12.2021 № 794"
Номер опубликования: 3600202512260007
Дата опубликования: 26.12.2025
Страница №10 из 14:
Увеличить