Официальное опубликование правовых актов
ОФИЦИАЛЬНОЕ ОПУБЛИКОВАНИЕ
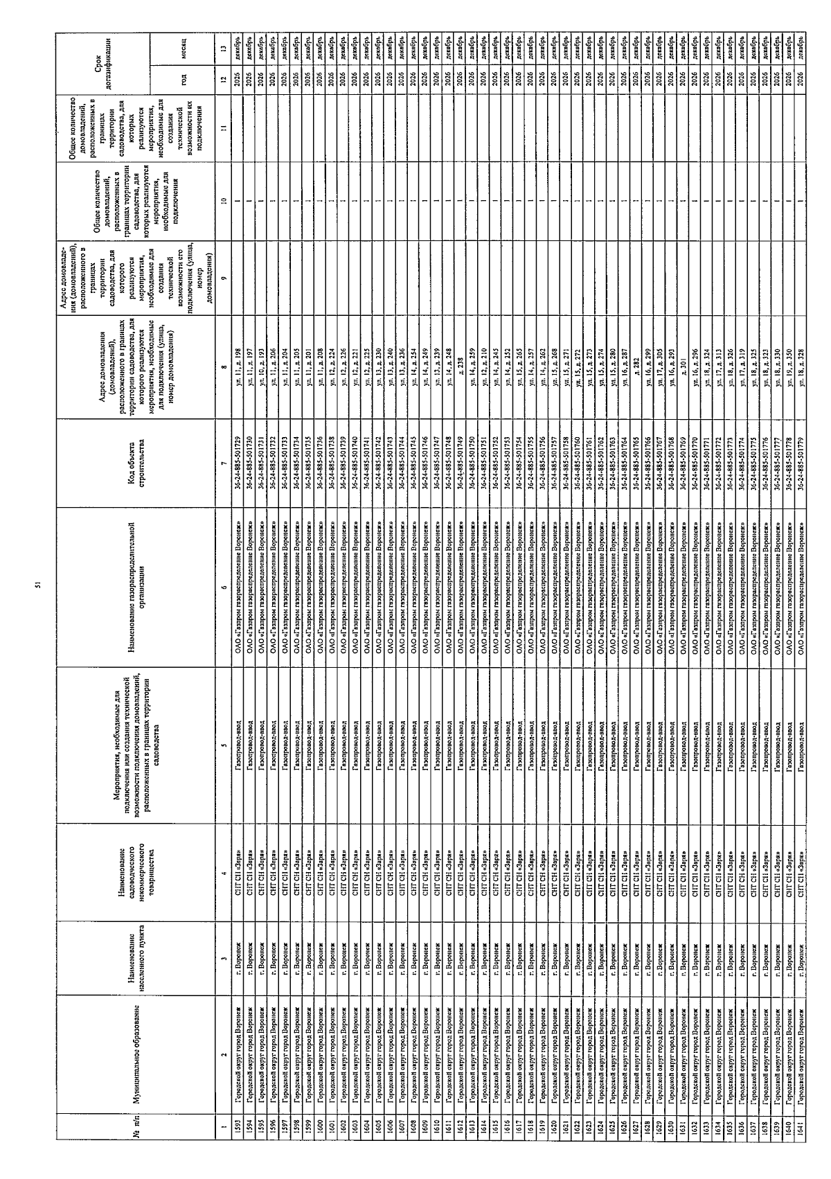
Постановление Правительства Воронежской области от 15.04.2025 № 264
"О внесении изменений в постановление Правительства Воронежской области от 10.02.2022 № 64"
Номер опубликования: 3600202504210004
Дата опубликования: 21.04.2025
Страница №57 из 261:
Увеличить