Официальное опубликование правовых актов
ОФИЦИАЛЬНОЕ ОПУБЛИКОВАНИЕ
Приказ комитета жилищно-коммунального хозяйства
и топливно-энергетического комплекса Волгоградской области
от 09.11.2017 № 299-ОД
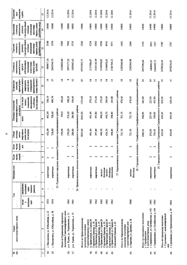
"О внесении изменений в приказ комитета жилищно-коммунального хозяйства Волгоградской области от 19.04.2016 № 106-ОД "Об утверждении краткосрочного плана реализации региональной программы "Капитальный ремонт общего имущества в многоквартирных домах, расположенных на территории Волгоградской области", утвержденной постановлением Правительства Волгоградской области от 31.12.2013 № 812-п, на 2016 год"
Номер опубликования: 3401201711140021
Дата опубликования: 14.11.2017
Страница №7 из 28:
Увеличить