Официальное опубликование правовых актов
ОФИЦИАЛЬНОЕ ОПУБЛИКОВАНИЕ
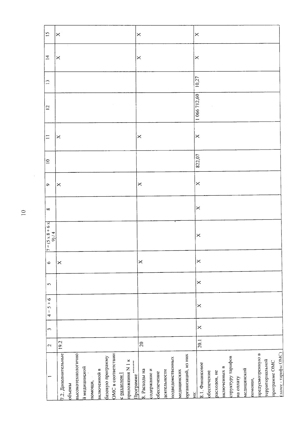
Постановление Правительства Владимирской области от 29.12.2025 № 834
"О внесении изменений в постановление Правительства Владимирской области от 26.12.2024 № 856"
Номер опубликования: 3300202512290055
Дата опубликования: 29.12.2025
Страница №17 из 23:
Увеличить