Официальное опубликование правовых актов
ОФИЦИАЛЬНОЕ ОПУБЛИКОВАНИЕ
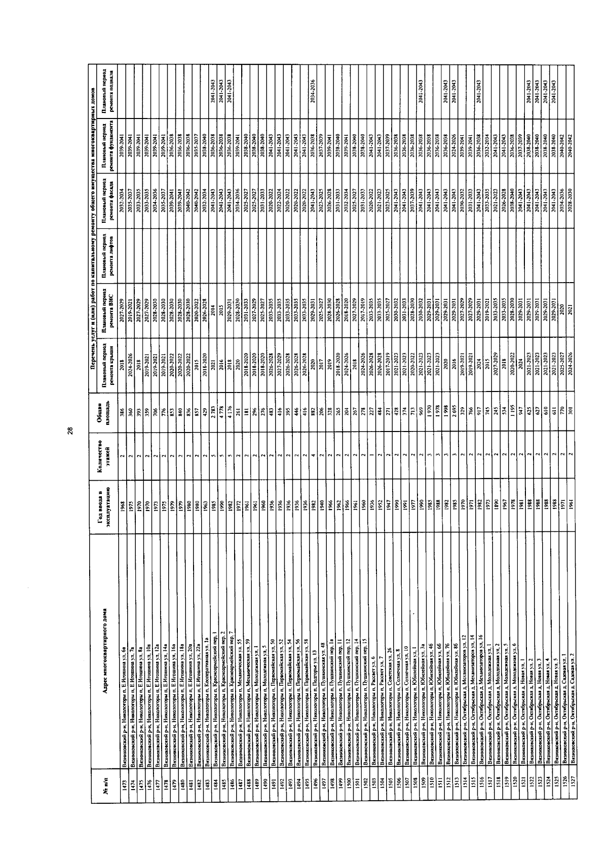
Постановление Правительства Владимирской области от 22.12.2025 № 778
"О внесении изменений в постановление Губернатора области от 30.12.2013 № 1502"
Номер опубликования: 3300202512230001
Дата опубликования: 23.12.2025
Страница №49 из 228:
Увеличить