Официальное опубликование правовых актов
ОФИЦИАЛЬНОЕ ОПУБЛИКОВАНИЕ
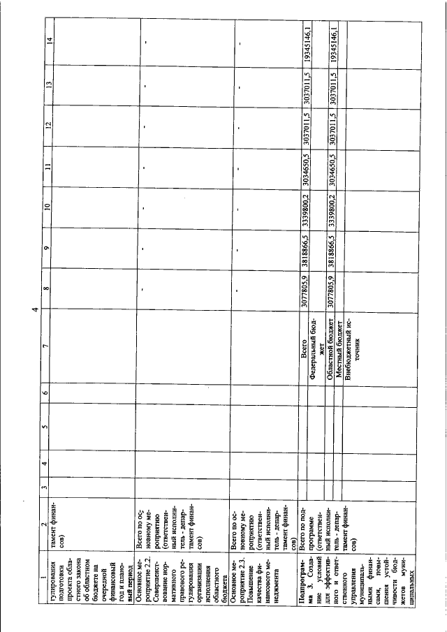
Постановление администрации Владимирской области от 09.02.2017 № 82
"О внесении изменений в приложение к постановлению администрации области от 06.04.2015 № 295"
Номер опубликования: 3300201702140005
Дата опубликования: 14.02.2017
Страница №12 из 23:
Увеличить