Официальное опубликование правовых актов
ОФИЦИАЛЬНОЕ ОПУБЛИКОВАНИЕ
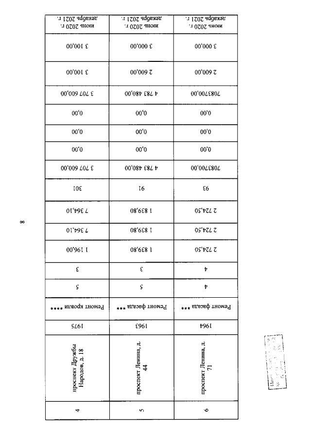
Постановление Правительства Республики Хакасия от 30.03.2021 № 149
"О внесении изменения в приложение к постановлению Правительства Республики Хакасия от 27.04.2020 № 212 "Об утверждении Краткосрочного плана реализации региональной программы "Капитальный ремонт общего имущества в многоквартирных домах, расположенных на территории Республики Хакасия (2014–2050 годы)" на 2021–2023 годы"
Номер опубликования: 1900202104020006
Дата опубликования: 02.04.2021
Страница №8 из 214:
Увеличить