Официальное опубликование правовых актов
ОФИЦИАЛЬНОЕ ОПУБЛИКОВАНИЕ
Постановление Правительства Республики Хакасия от 30.12.2020 № 751
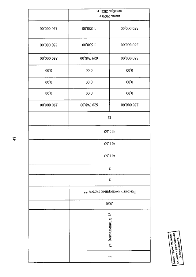
"О внесении изменения в приложение к постановлению Правительства Республики Хакасия от 27.04.2020 № 212 "Об утверждении Краткосрочного плана реализации региональной программы "Капитальный ремонт общего имущества в многоквартирных домах, расположенных на территории Республики Хакасия (2014–2050 годы)" на 2021–2023 годы"
Номер опубликования: 1900202101060009
Дата опубликования: 06.01.2021
Страница №48 из 214:
Увеличить