Официальное опубликование правовых актов
ОФИЦИАЛЬНОЕ ОПУБЛИКОВАНИЕ
Постановление Правительства Республики Хакасия от 10.10.2019 № 514
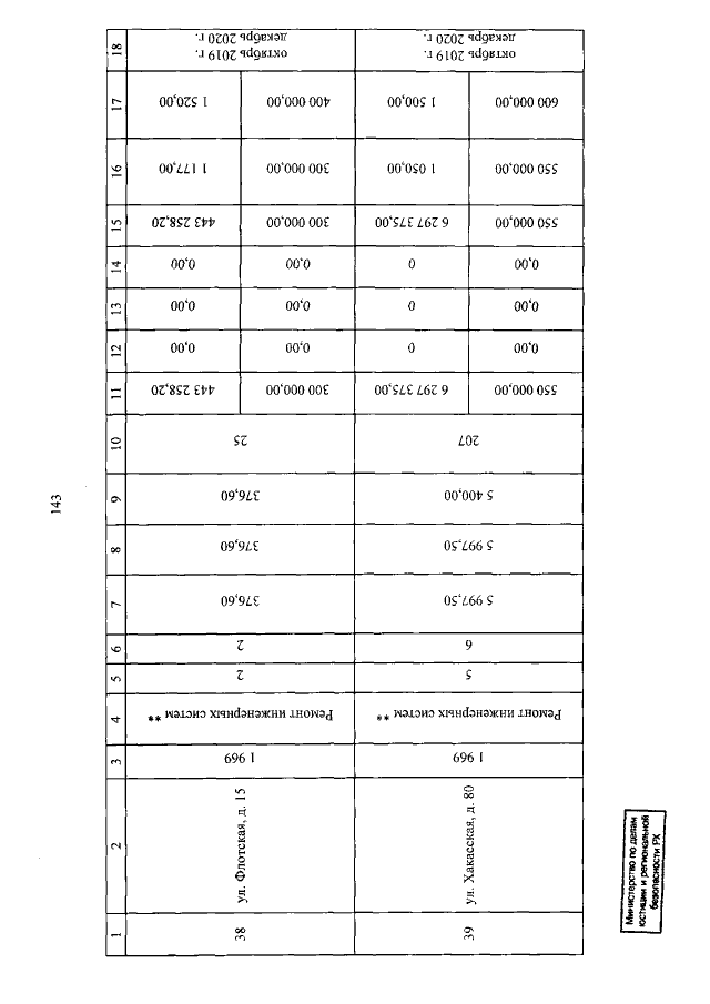
"О внесении изменения в приложение к постановлению Правительства Республики Хакасия от 02.08.2017 № 398 "Об утверждении Краткосрочного плана реализации региональной программы "Капитальный ремонт общего имущества в многоквартирных домах, расположенных на территории Республики Хакасия (2014–2050 годы)" на 2018–2020 годы"
Номер опубликования: 1900201910170002
Дата опубликования: 17.10.2019
Страница №143 из 181:
Увеличить