Официальное опубликование правовых актов
ОФИЦИАЛЬНОЕ ОПУБЛИКОВАНИЕ
Указ Главы Республики Алтай, Председателя Правительства Республики Алтай от 28.04.2018 № 116-у
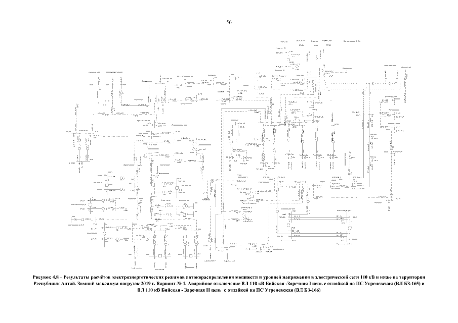
"Об утверждении схемы и программы развития электроэнергетики Республики Алтай на 2019-2023 годы и признании утратившими силу некоторых Указов Главы Республики Алтай, Председателя Правительства Республики Алтай"
Номер опубликования: 0400201805030006
Дата опубликования: 03.05.2018
Страница №56 из 79:
Увеличить