Официальное опубликование правовых актов
ОФИЦИАЛЬНОЕ ОПУБЛИКОВАНИЕ
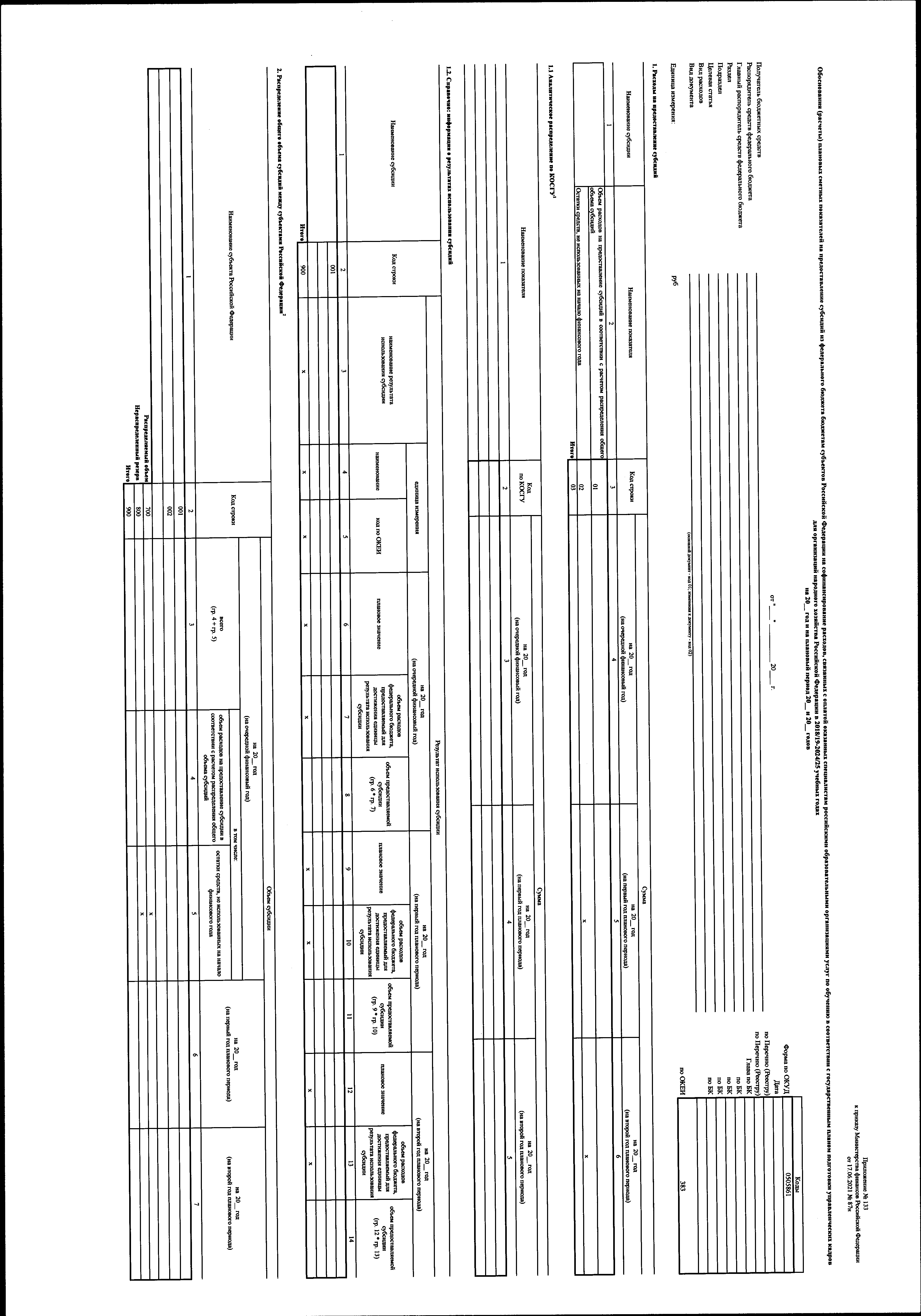
Приказ Министерства финансов Российской Федерации от 21.02.2023 № 21н
"О внесении изменений в приказ Министерства финансов Российской Федерации от 17 июня 2021 г. № 87н "Об утверждении форм обоснований (расчетов) плановых сметных показателей, применяемых при составлении и ведении бюджетных смет федеральных казенных учреждений"
(Зарегистрирован 24.03.2023 № 72701)
Номер опубликования: 0001202303240026
Дата опубликования: 24.03.2023
Страница №260 из 329: