Официальное опубликование правовых актов
ОФИЦИАЛЬНОЕ ОПУБЛИКОВАНИЕ
Приказ Федеральной антимонопольной службы от 12.12.2022 № 970/22
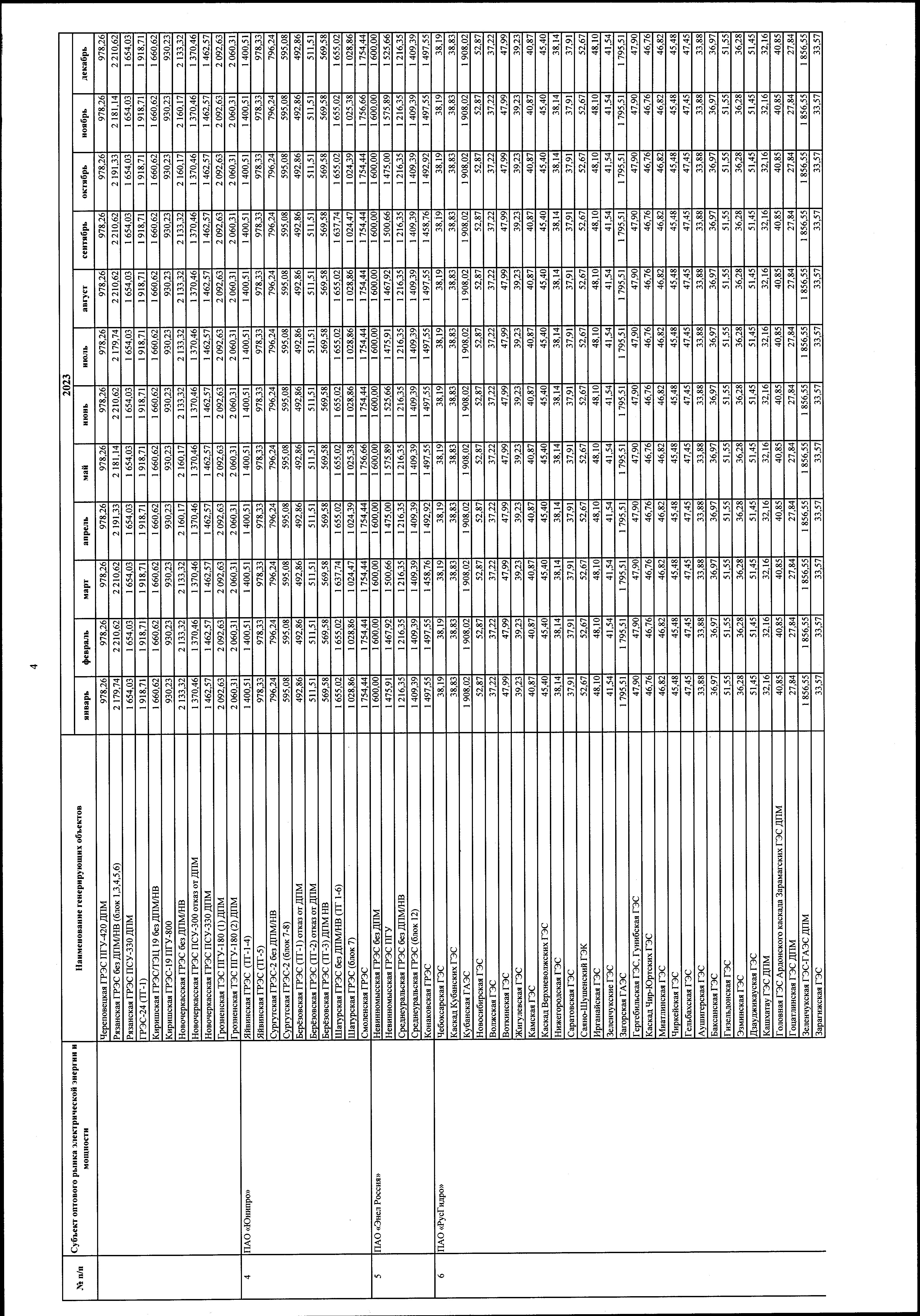
"Об утверждении цен (тарифов) на электрическую энергию на 2023 год, поставляемую в условиях ограничения или отсутствия конкуренции при введении государственного регулирования"
(Зарегистрирован 21.12.2022 № 71724)
Номер опубликования: 0001202212210036
Дата опубликования: 21.12.2022
Страница №4 из 13: