Официальное опубликование правовых актов
ОФИЦИАЛЬНОЕ ОПУБЛИКОВАНИЕ
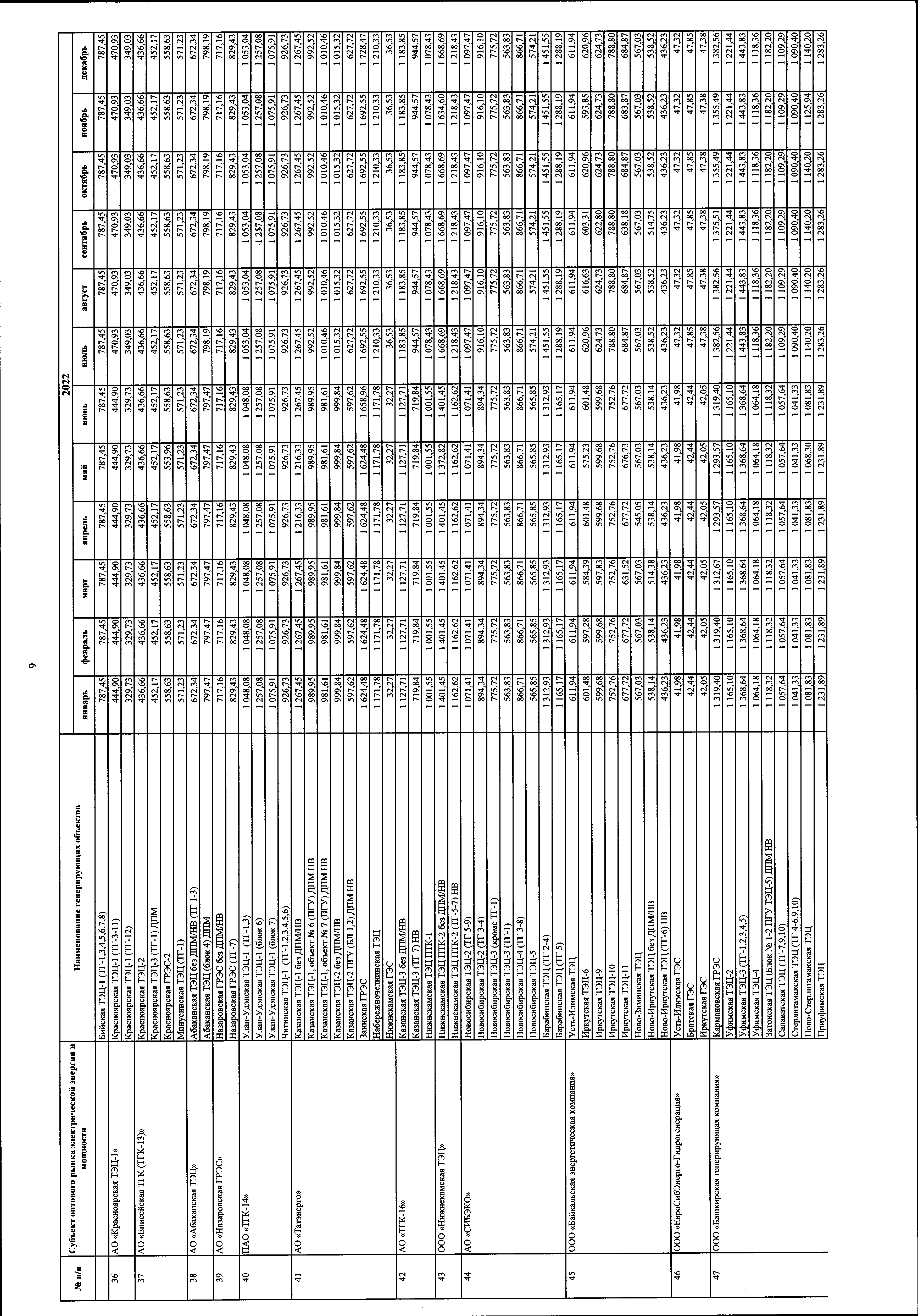
Приказ Федеральной антимонопольной службы от 16.12.2021 № 1426/21
"Об утверждении цен (тарифов) на электрическую энергию на 2022 год, поставляемую в условиях ограничения или отсутствия конкуренции при введении государственного регулирования"
(Зарегистрирован 30.12.2021 № 66727)
Номер опубликования: 0001202112300180
Дата опубликования: 30.12.2021
Страница №9 из 12: