Официальное опубликование правовых актов
ОФИЦИАЛЬНОЕ ОПУБЛИКОВАНИЕ
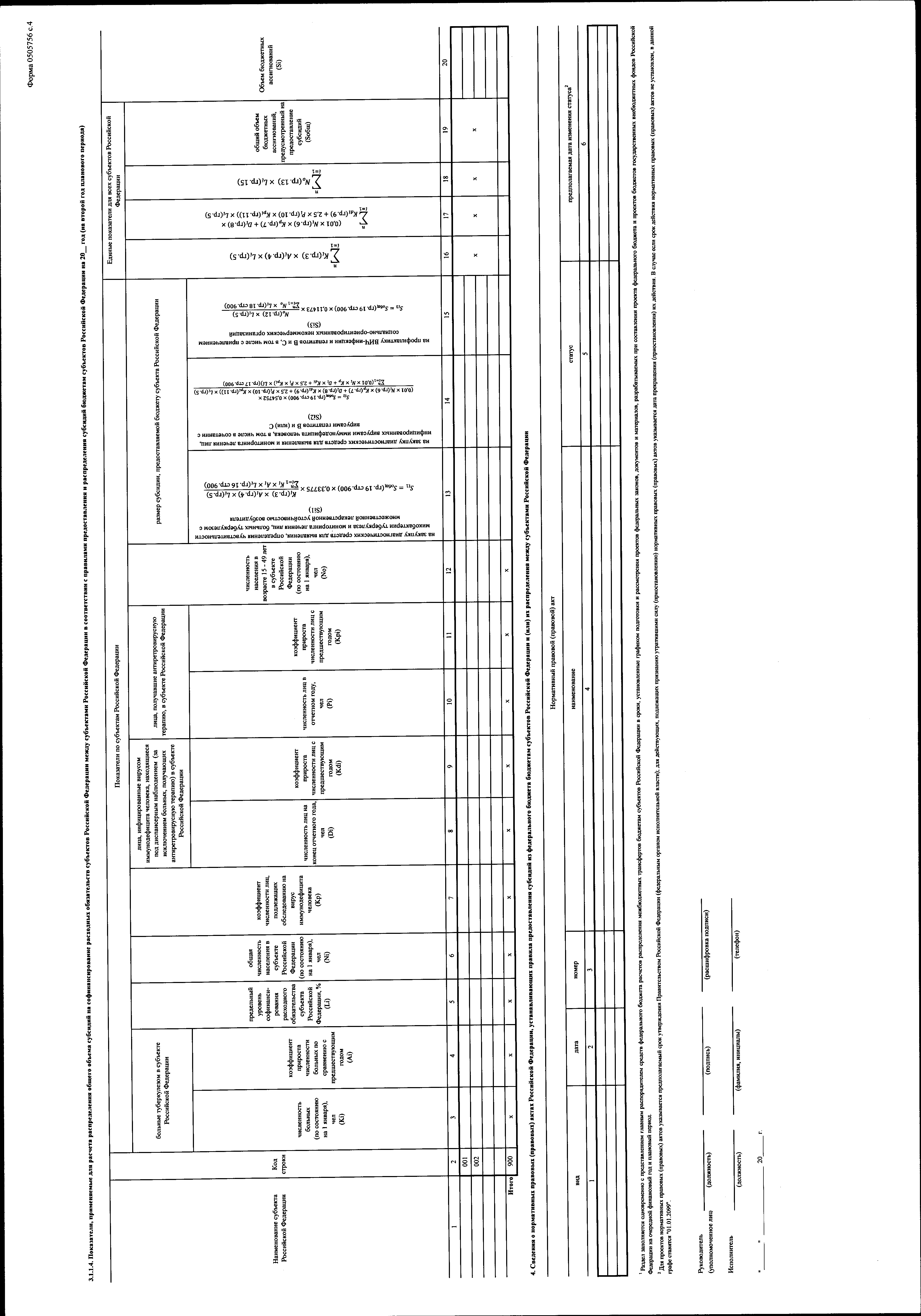
Приказ Министерства финансов Российской Федерации от 17.06.2021 № 86н
"О Порядке формирования (внесения изменений) и представления главными распорядителями средств федерального бюджета обоснований бюджетных ассигнований"
(Зарегистрирован 18.10.2021 № 65460)
Номер опубликования: 0001202110190009
Дата опубликования: 19.10.2021
Страница №736 из 924: